MasterKey Moment and Simple Connections Design

 

 

 

 

 

 

 

 

 

          

 

Moment Connections

 

 

 

 

 

 

 

 

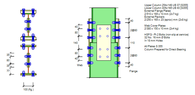
Splice Moment Connections

 

 

 

 

 

 

 

 

 

 

 

 

 

 

 

 

 

 

 

Simple Connections

 

 

 

 

 

 

      

 

 

 

 

        

 

 

Bracing Connections